Accueil
1ére Année Secondaire
2éme Année Secondaire
YouTube
Autres
11
Ressources
Contactez-nous
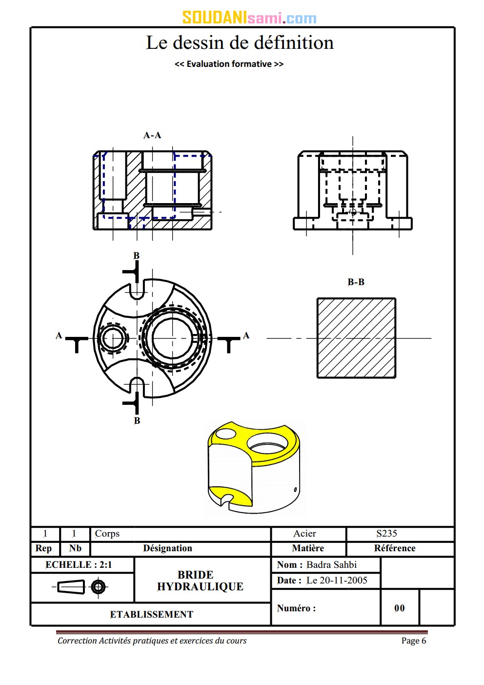
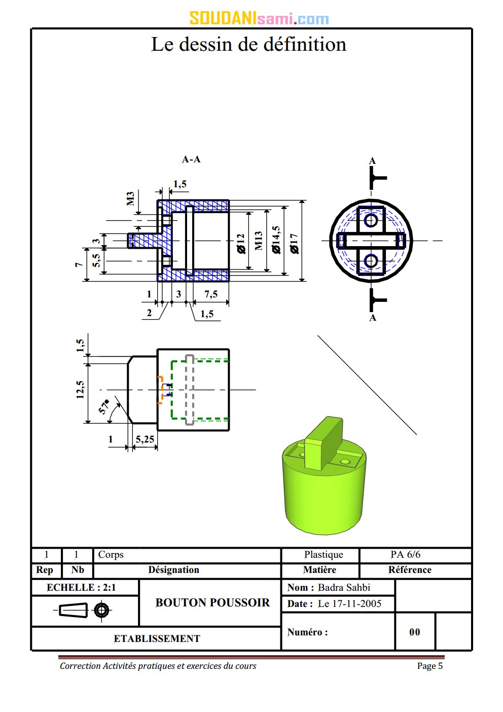
3- DÉFINITION GRAPHIQUE D’UN OBJET TECHNIQUE
Correction : Dessin définition du Manuel d'activité
Correction : Dessin définition du Manuel d'activité
Correction : Dessin définition du Manuel d'activité
Hot
File Size:
1.05 MB
Date:
9 janvier 2022
Downloads:
1042 x
Features
Rating
: 5 / 1 vote
Only registered and logged in users can rate this file
Powered by
Phoca Download